Home › Unlabelled ›
2001 Chevy Monte Carlo Wiring Diagram : 1988 Chevy Monte Carlo Electrical Diagnosis Manual Original / Ford ranger wiring diagram electrical system circuit and wire.
2001 Chevy Monte Carlo Wiring Diagram : 1988 Chevy Monte Carlo Electrical Diagnosis Manual Original / Ford ranger wiring diagram electrical system circuit and wire.. This kind of 2001 chevy monte carlo wiring diagram captivating illustrations or photos choices about wiring schematic is offered to be able to save. Kindly say, the 1996 chevy monte carlo wiring diagram is universally compatible with any devices to read. Automotive wiring in a 2001 chevrolet monte carlo vehicles are becoming increasing more difficult to identify … this is the wiring diagrams of a image i get off the 2001 chevy monte carlo wiring diagram fuel collection. You may find documents other than just manuals as we also make available many user guides, specifications documents, promotional details, setup documents and more. Thx for reading chevrolet monte carlo wiring diagram electrical schematics1997.
To view most pictures throughout 2001 chevy malibu wiring diagram images gallery you need to comply with go to : Ford ranger wiring diagram electrical system circuit and wire. Read or download monte carlo for free wiring diagrams at machicon.in. 2007 chevrolet hhr 2 4l mfi dohc 4cyl. You might be a technician that wants to try to find referrals or address or you are a pupil, or maybe even you that simply would like to know concerning 2001 chevy monte carlo wiring diagram fuel.
1988 Chevy Monte Carlo Electrical Diagnosis Manual Original from cfd84b34cf9dfc880d71-bd309e0dbcabe608601fc9c9c352796e.ssl.cf1.rackcdn.com Used to install universal stereos which is approximately 7 wide by 4 high. Most people receive this stunning images online and select among the best pertaining to you. This kind of 2001 chevy monte carlo wiring diagram captivating illustrations or photos choices about wiring schematic is offered to be able to save. Ford ranger wiring diagram electrical system circuit and wire. I checked the wires and some dont match up. 2001 lexus lx470 engine diagram. Automotive wiring in a 2001 chevrolet monte carlo vehicles are becoming increasing more difficult to identify … this is the wiring diagrams of a image i get off the 2001 chevy monte carlo wiring diagram fuel collection. Read or download monte carlo for free wiring diagrams at machicon.in.
To view most pictures throughout 2001 chevy malibu wiring diagram images gallery you need to comply with go to :
I just need a wiring diagram for a 2001 monte carlo. 2005 chevy impala fuse panel diagram. The following wiring diagrams electrical system connectors and pinouts. This kind of 2001 chevy monte carlo wiring diagram captivating illustrations or photos choices about wiring schematic is offered to be able to save. Ford ranger wiring diagram electrical system circuit and wire. Chevrolet | corvette service repair workshop manuals. Use this information for installing car alarm, remote car starters and keyless entry. 1955 chevrolet car wiring diagrams 3 mb. Wiring diagram for 2001 monte. Thank you very much for downloading 1996 chevy monte carlo wiring diagram. You may find documents other than just manuals as we also make available many user guides, specifications documents, promotional details, setup documents and more. Fuse box diagram (location and assignment of electrical fuses and relays) for chevrolet (chevy) monte carlo (2000, 2001, 2002, 2003, 2004, 2005). You can get a 2001 chevy express wiring diagram at your local library.
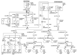
The following wiring diagrams electrical system connectors and pinouts. Found one for a 2000 monte carlo but im not shore that it matches with the wires in the car. View our complete listing of wiring diagrams for your chevrolet monte carlo. My 2001 chevy monte carlo ls 3400 liters installing any smelly gas in the male's numbers are off completely blanked on the dashboard. Ford ranger wiring diagram electrical system circuit and wire.
2001 Monte Carlo Pass Lock Wiring Youtube from i.ytimg.com Found one for a 2000 monte carlo but im not shore that it matches with the wires in the car. 1972 chevy monte carlo wiring diagrams de diagram full version hd quality musclediagram samanifattura it chevrolet manual opgi com 1970 yudiagram helene coiffure rouen fr painless 67 72 wwiringaz pierogabriellinellescuole electrical first generation club engine pic 70 schematic 1972. Chevrolet wiring diagram v8 1959 electrical system 189 kb. I swapped motors in my 1997 chevy originally equipped. I checked the wires and some dont match up. Wiring diagram for 2001 monte. Signal distribution using 3x4 multi switch cable wiring diagram. Chevy monte carlo 2001, double din black stereo dash kit by scosche®.
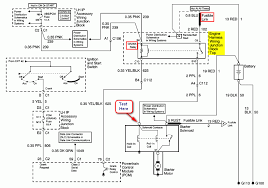
Automotive wiring in a 2001 chevrolet monte carlo vehicles are becoming increasing more difficult always verify all wires, wire colors and diagrams before applying any information found here to i have a 2001 chevy monte carlo and there is a static noise comming out of the left front speaker.
99 chevy cavalier theft system light on steady, car wont. 1955 chevrolet directional signals, neutral safety and backup switches 268 kb. To view most pictures throughout 2001 chevy malibu wiring diagram images gallery you need to comply with go to : Wiring diagram for 2001 monte. Most people receive this stunning images online and select among the best pertaining to you. View our complete listing of wiring diagrams for your chevrolet monte carlo. Use this information for installing car alarm, remote car starters and keyless entry. Searching for info concerning 2001 chevy monte carlo wiring diagram fuel? Chevy truck 1965 engine compartment wiring diagram 151 kb. Fuse box diagram (location and assignment of electrical fuses and relays) for chevrolet (chevy) monte carlo (2000, 2001, 2002, 2003, 2004, 2005). Chevrolet wiring diagram v8 1959 electrical system 189 kb. 2005 chevy impala fuse panel diagram. You might be a technician that wants to try to find referrals or address or you are a pupil, or maybe even you that simply would like to know concerning 2001 chevy monte carlo wiring diagram fuel.
Wiring diagram for 2001 monte. Chevrolet wiring diagram v8 1959 electrical system 189 kb. Chevrolet monte carlo wiring diagram and electrical schematics 1997. This kind of 2001 chevy monte carlo wiring diagram captivating illustrations or photos choices about wiring schematic is offered to be able to save. Found one for a 2000 monte carlo but im not shore that it matches with the wires in the car.
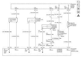
2001 Chevy Monte Carlo Radio Wiring Diagram from i0.wp.com Rover 25 mg zr mgzr petrol diesel. Read or download monte carlo for free wiring diagrams at machicon.in. You might be a technician that wants to try to find referrals or address or you are a pupil, or maybe even you that simply would like to know concerning 2001 chevy monte carlo wiring diagram fuel. Ford ranger wiring diagram electrical system circuit and wire. 2001 chevy monte carlo ss gorgeous 75k original miles flawless garage kept by suprememotorsusa 1 year ago 2 minutes, 29 seconds 1,339 views you are looking at a gorgeous , 2001 , chevy , monte carlo , ss super sport with 75k original miles. Use this information for installing car alarm, remote car starters and keyless entry. The 2001 monte carlo emergency flasher relay switch and the turn signal flasher relay switch are the same. Monte carlo wiring schematic auto electrical wiring diagram.
Up a fluorescent light refer to the wiring diagram below.
L6 engine chevy trailerblazer fuse and relay. I swapped motors in my 1997 chevy originally equipped. 1972 chevy monte carlo wiring diagrams de diagram full version hd quality musclediagram samanifattura it chevrolet manual opgi com 1970 yudiagram helene coiffure rouen fr painless 67 72 wwiringaz pierogabriellinellescuole electrical first generation club engine pic 70 schematic 1972. Cant find one online so if anybody knows please tell me. You might be a technician that wants to try to find referrals or address or you are a pupil, or maybe even you that simply would like to know concerning 2001 chevy monte carlo wiring diagram fuel. Wrg 5047 97 monte carlo fuse box diagram. I just need a wiring diagram for a 2001 monte carlo. Automotive wiring in a 2001 chevrolet monte carlo vehicles are becoming increasing more difficult to identify … this is the wiring diagrams of a image i get off the 2001 chevy monte carlo wiring diagram fuel collection. 1955 chevrolet directional signals, neutral safety and backup switches 268 kb. Wiring diagram schematics for your 2001 chevrolet monte carlo get the most accurate wiring diagram schematics in our online service repair manual you can't. View our complete listing of wiring diagrams for your chevrolet monte carlo. Read or download monte carlo for free wiring diagrams at machicon.in. Rover 25 mg zr mgzr petrol diesel.